|
|
|
|
FT
8610616
Maj.4: 19.01.18. |
PDF 
|
|
|

|
Ab Lager bietet ADLER SAS ein Standarddekor: eloxiertes Aluminium mit der Anmutung von gebürstetem Edelstahl.
Weitere Dekors (eloxiert Natur, vergoldet ...) und Oberflächenvarianten (z. B. unbehandelt) stehen auf Anfrage nach kürzester Wartezeit zur Verfügung. |
1 minimale Zubehörauswahl |
 |
DEinfache und universale Konstruktionsprinzipien |
Die Glasstärken (10 oder 12 mm serienmäßig, bis 88,2 mm auf Anfrage) werden mit passenden Dichtungen in den Standardaluminiumprofilen ausgeglichen. |
 |
Auswahl der notwendigen Profile |
Zuerst werden die Wandelemente in das obere Profil eingeführt, dann vertikal über dem Bodenprofil gerade ausrichtet und anschließend in dieses eingelassen, bis sie auf den zuvor in dieses Profil eingelegten Keilen zur Auflage kommen. Die Keile im unteren Profil sind in einer Stärke zu wählen, die sich nach dem oberen Profil richtet (siehe weitere Beschreibung).
Idealerweise ist das untere Profil feiner: Außenhöhe 30 mm, Einbautiefe 23 mm (Art.-Nr.: 73505G).
Um einen besseren Glaseinstand zu gewährleisten, empfehlen wir eine größere Einbautiefe beim oberen Profil. Typischerweise wird eine Außenhöhe von 35 mm (Einbautiefe: 28 mm) gewählt (Art.-Nr.: 73506H): In diesem Fall beträgt der Glaseinstand sowohl oben als auch unten 12 mm. Die Stärke des Keils unter dem Glaselement im Profil misst 11 mm. Die Höhe des Glaselements entspricht der für den Boden-Decken-Abstand empfohlenen Höhe, abzgl. 41 mm.
Für eine noch feinere Konstruktion lässt sich aber auch dasselbe Profil am Boden wie an der Decke verwenden (Art. Nr. 73505G). Dann beträgt der Glaseinstand im oberen und unteren Profil 13 mm, und die Höhe des Glaselements entspricht dem Boden-Decken-Abstand, abzgl. 40 mm.
Je nach dem, wie viele fixe Glaselemente montiert werden sollen, kann es unter Umständen erforderlich sein, am Ende der Front ein Profil als Halteleiste (73513Q + 73514R) zu montieren, um das letzte Element einsetzen zu können. Werden nur 1 oder 2 fixe Glaselemente für eine Trennwandkonstruktion verwendet, ist der Einsatz einer solchen Halteleiste unabdingbar: Es empfiehlt sich, diese im Ständer am Wandende zu platzieren, ggf. auch am anderen Ende gegenüber der Leiste, die bereits im Türrahmen inbegriffen ist. Das am Schluss installierte Glaselement wird immer in das als Halteleiste konzipierte Profil eingeklemmt.
Umfasst die fixe Wand aber mindestens 3 fortlaufende Glaselemente, muss das Halteprofil nicht verwendet werden. Zur Vereinfachung der Montage empfiehlt sich allerdings ein U-Profil. |
|
Detailansicht der Türrahmenmontage |
 |
Bemessungsregeln für die Konstruktion mit Glaseinstand |
Bemessung der fixen Wandelemente, Türen und Oberlichter in der Höhe: |
 |
Bemessung der fixen Wandelemente, Türen und Oberlichter in der Breite: |
 |
Sonderfall einer Wand mit Tür am Wandende. |
 |
|
|
 |
In der nebenstehenden Konstruktion sollte einen Glasleitenprofil auf seiten des Oberlichts wie auf seiten der Türbänder vorgesehen werden. |
 |
Sonderfall einer Tür unter eingebautem Oberlicht. |
 |
|

| Formular : |
 |
Lpa: lichtes Durchgangsmaß |
 |
Verschiedene Türsysteme |
Paumelles  |
 |
 |
|
|
V503 |
V504 |
V505 |
ADLER Art Nr:
Edelstahl gebürstet 73176Q
eloxiert naturfarben 73177R
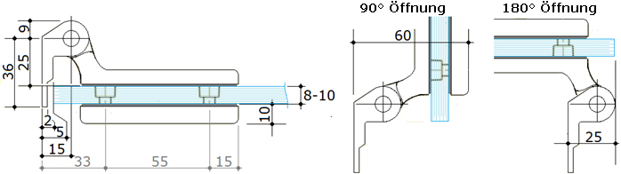
Das Paumellenband V503 bietet einen stumpfen Winkel, der eine Türöffnung bis 180° zulässt. |
Art. auf Anfrage
Das Paumellenband V504 ist die klassische Scharnierlösung für CLARIT-Türen. |
ADLER Art Nr:
Edelstahl gebürstet 731
eloxiert naturfarben 73121F
Verchromt 73123H
Das Paumellenband V505 ist die quadratische Variante des V504 und passt sich harmonisch an die winkeligen Linien der Aluminiumwand an. |
|

| Schloss 731 |
Klinkenschloss mit europäischem Schließzylinder mit Riegelblockierung
Edelstahl gebürstet 73187B
eloxiert naturfarben 73151N
Verchromt 73153Q |
|
 |
Klinkenschloss ohne Schließzylinder
Edelstahl gebürstet 73189D
eloxiert naturfarben 73130Q
Verchromt 73132S |
|


| Optionen: Weitere Oberflächenvarianten |
Auf Anfrage erhältlich: natürlich eloxiertes Finish in Silber-Look, Lackierung usw.
Zubehör zum Fügen der Glaselemente innerhalb einer fixen Wand |
 |
| |
| Konstruktionsmöglichkeiten für komplexe Wände |

| Befestigung von Seiten- oder Querverstrebungen |
 |
Um eine Verstrebung besonders unauffällig zu befestigen und sofern die Front keine zu starken Belastungen auf diese Verstrebung ausübt, können PPMA-Verbindungsprofile eine einfache und wirkungsvolle Lösung darstellen.
Siehe vorn.
|
|
Eine Originallösung ohne sichtbare Kunststoffdichtung ermöglicht, eine Wand ausgehend von einer Zwischenwand oder einer Verstrebung besonders steif zu befestigen. Set mit 10 Halte- und Sicherheitseinlagescheiben, 10 verchromten Knöpfen 08522P (DN 13 mm), 10 PP-Scheiben 08505V und 10 Senkschrauben mit Innensechskant M4x12 00583K. |
|

 |
Selbsttragende Wände
Mit Oberträger zur Wandaussteifung.. |

|
|

|
 
Z.A. La Barogne - 9, Av des 22 Arpents - 77230 Moussy le Neuf - France
Tel.: +33 (0)1.60.03.62.00 - Fax : +33 (0)1.60.03.62.49
E-mail : commercial@adler-sa.com - Site : www.adler-sa.fr
SAS au capital de 2 014 000 euros . RCS Meaux B562054957 |
|