Logo Adler SAS, la technique au service du verre
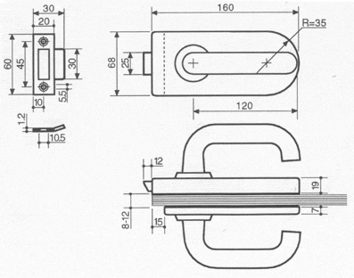
Zeichnung

 

ARTIKEL : 73130Q