Logo Adler SAS, la technique au service du verre
Schéma

 

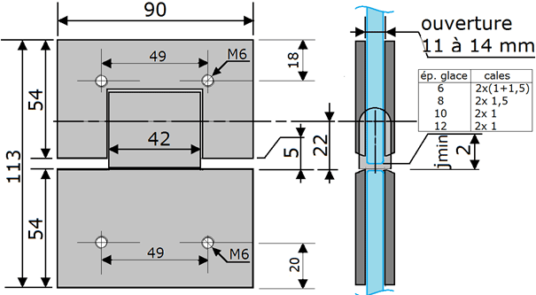
ARTICLE : 64954C

verrou A.S. gl/gl.180 extérieur 316L inox poli

 
verrou A.S. gl/gl.180 extérieur 316L  inox  poli