Warning: Undefined array key "designation_courante" in /home/u259703008/domains/adler-sa.fr/public_html/test/catalogue/encoche.php on line 63
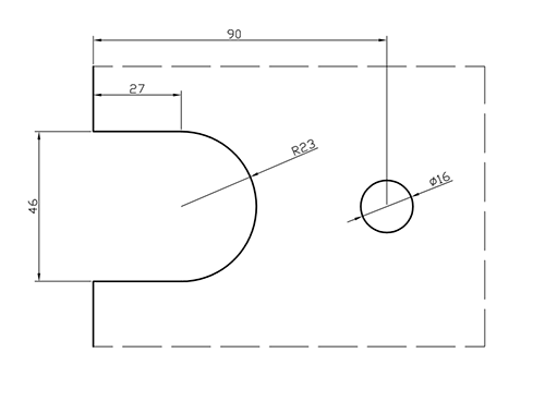
Dessins d'encoches de l'article 64950Y
Logo Adler SAS
Dessins d'encoches

ARTICLE : 64950Y

ATTENTION : Le dessin ci-dessous n'est pas à l'échelle.

Pour l'imprimer, avec Adobe® Reader®, cliquez ICI

Adobe acrobat reader