Logo Adler SAS
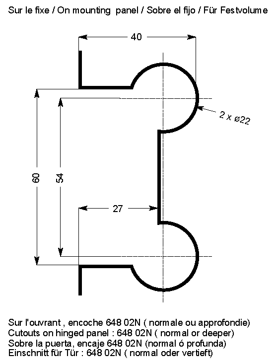
Dessins d'encoches

ARTICLE : 64836Z

Rastscharnier super venus Wand/Glas 45 x2 Verchromt matt

ATTENTION : Le dessin ci-dessous n'est pas à l'échelle.

Pour l'imprimer, avec Adobe® Reader®, cliquez ICI

Adobe acrobat reader

 

Rastscharnier  super venus Wand/Glas 45 x2  Verchromt matt